Odečte-li se z hrubého zisku poštovního, telegrafního a telefonního provozu příspěvek státní správy na investice, vykazuje účet ztráty a zisku tohoto provozovacího odvětví
|
úhrnné příjmy |
1.354,668.037,97 Kč, |
|
a úhrnné výdaje |
1.182,833.526,68 Kč, |
|
tudíž ryzí zisk poštovního, telegrafního a telefonního provozu |
171,834.511,29 Kč. |
|
Tento ryzí zisk poštovního, telegrafního a telefonního provozu za rok 1928, činící |
171,834.511,29 Kč, |
|
jest ve srovnání se ziskem za rok 1927, jenž činil |
127,658.984,84 Kč, |
|
větší o |
44,175.526,45 Kč, |
|
tj. o 34,6%. |
Zvýšení ryzího zisku poštovního, telegrafního a telefonního provozu lze vysvětliti tím, že vzrůst provozovacích příjmů tohoto odvětví podniku předstihuje velmi značně vzrůst provozovacích výdajů, jak jest patrno z následujícího porovnání účinů roku 1928 s účiny roku 1927.
|
Provozovací výdaje, jež činily v roce 1927 |
1.037,821.961,52 Kč, |
|
vzrostly v roce 1928 o |
32,883.904,56 Kč, |
|
tj. o 3,16%, |
|
|
na úhrn provozovacích výdajů roku 1928 |
1.070,705.866,08 Kč. |
|
Naproti tomu provozovací příjmy, jež činily v roce 1927 |
1.165,480.946,36 Kč, |
|
vzrostly v roce 1928 o |
77,059.431,01 Kč, |
|
tj. o 6,6%, na úhrn provozovacích příjmů 1928 |
1.242,540.377,37 Kč. |
Rozdíl mezi vzrůstem příjmů a vzrůstem výdajů jest částka, o kterou se zvýšil zisk roku 1928 proti zisku roku 1927. Skutečnost, že vzrůst provozovacích výdajů, z něhož dokonce jen malá část připadá na úhradu potřeb přímo souvisejících s větší intensitou poštovní dopravy, jest nižší než vzrůst provozovacích příjmu, prokazuje, že správa podniku dosahuje větší výkonnosti a tudíž i větších provozovacích příjmů účelným hospodařením. Provozovací příjmy roku 1928 vzrostly totiž proti roku 1927 o 6,6%, kdežto vzrůst provozovacích výdajů r. 1928 proti r. 1927 činí pouze 3,16%.
Celkový vzrůst provozovacích příjmů vyplývá z těchto podstatných změn výsledků jednotlivých odvětví provozovacích:
|
Provozovací příjmy pošty jsou v roce 1928 vyšší než v roce 1927 o |
53,854.429,07 Kč |
(6,3%), |
|
provozní příjmy telegrafu o |
1,111.525,07 Kč |
(1,7%), |
|
provozní příjmy telefonu o |
13,697.392,19 Kč |
(7,7%), |
|
a ostatní příjmy o |
8,396.084,68 Kč |
(13,5%). |
|
Z celkového zvýšení příjmů r. 1928 o |
77,059.431,01 Kč |
|
|
jest tedy důsledkem větší intensity provozu částka |
68,663.346,33 Kč |
|
|
kdežto částka |
8,396.084,68 Kč |
značí vzrůst příjmů, které nejsou přímým důsledkem vlastního hospodaření, neboť pozůstávají z náhodné převahy celních příjmů, předplatného za noviny a zjištěných pokladních přebytků. Z vlastních provozovacích příjmů vykazuje poměrně nejvyšší vzrůst telefonní provoz. Přes to však telefonní provoz vzrůstem provozovacích příjmů stěží uhrazuje větší náklad na odpisy z nového telefonního zařízení a nestačí již uhraditi vyšší úroky, jež jest třeba kalkulovati v důsledku zvýšení kapitálu, investovaného v roce 1928 do telefonních vedení a zařízení; tuto skutečnost nezmění ani to, započtou-li se do telefonních příjmů vybrané amortisační příspěvky (3,265.808,35 Kč).
Zjev ten nutno posuzovati, jak bylo shora uvedeno, s hlediska vyššího, vyplývajícího z toho, že podnikatelem pošty, telegrafu a telefonu jest sám stát, tj., že může rentabilitu telefonního provozu posuzovati se zřetelem k větší řadě let, než by připouštělo stanovisko soukromého podnikatele. Obdobně možno odůvodniti, pokud se týče vysvětliti, proč poměrný vzrůst telefonních příjmů na poplatcích za meziměstské telefonní hovory není přiměřený investovanému kapitálu. Postupným zhušťováním meziměstské telefonní sítě odstraňuje poštovní správa ve prospěch veřejnosti nedostatek telefonních linek a tím se zároveň zbavuje určitého zdroje svých příjmů, ježto přihlašované hovory jsou zpravidla uskutečňovány bez delší čekací lhůty za jednoduchý po-pletek, zatím co dříve žádané spojení bylo neprodleně uskutečňováno pouze za trojnásobný nebo devítinásobný poplatek jako tzv. hovor pilný nebo bleskový. Nicméně možno s uspokojením konstatovati, že celkový vzrůst provozovacích příjmů telefonu (13,697.392,19 Kč), zvýšen o úsporu úroků z investičních půjček na úhradu investic telefonního provozu (6,895.610,51 Kč), shoduje se s úhrnnou částkou, o kterou poklesla pasivita telefonu v roce 1928 proti roku 1927. Tato shoda nasvědčuje tomu, že také větší intensita telefonního provozu, která jest příčinou vyšších provozovacích příjmů, byla v roce 1928 obstarána bez poměrného zvýšení provozovacích výdajů, čehož bylo dosaženo jednak pokračující účelnou Organisací služby, jednak úsporami, dosaženými automatisováním pražské, tedy největší telefonní ústředny.
Z vykázaného vzrůstu provozovacích výdajů poštovního, telegrafního a telefonního provozu v roce 1928 proti roku 1927 připadá největší část (18,144.053,34 Kč) na odpisy, které jsou vyšší proto, že se investicemi v roce 1927 a 1928 zvýšila také hodnota zakládacích aktiv, ze které se tyto odpisy počítají. Také náklady na pense vzrostly o velmi značnou částku (11,292.915,97 Kč); naopak poměrně nepatrný je vyšší náklad na ostatní potřeby (2,782.094,33 Kč) a na služební příjmy zaměstnanců (664.840,92 Kč). Nepatrný vzrůst nákladů na ostatní potřeby se vysvětluje úsporou na úrocích s investičních dluhů v částce 6,895.610,51 Kč. Na zvýšení ostatních výdajů participují zejména nájemné, udržování budov, otop, tisk úředních publikací a cenin, a jiné úřední potřeby.
Hospodaření poštovní automobilní dopravy skončilo
|
v roce 1928 ještě pasivem v částce |
1,865.660,83 Kč, |
|
zlepšilo se však proti pasivu minulého roku v částce |
10,426.846,58 Kč, |
|
velmi značně, a to celkem o |
8,671.445,81 Kč. |
Při bedlivém posuzování tohoto hospodářského výsledku jest ovšem nutno přihlížeti k tomu, že v roce 1927 bylo hospodářství poštovní automobilní dopravy zatíženo mimořádnou ztrátou z požáru ve vyšehradské Citadele, úhradou úroků poštovní správě, a že hospodářství r. 1928 získává sice úhradou schodků z minulých let, avšak přejímá opět na svůj vrub opravu východiskové bilance, takže je nutno snížiti shora vykázaný
|
hrubý rozdíl mezi ztrátou r. 1927 a ztrátou roku 1928, který činí |
8,671.445,81 Kč, |
|
o úhrnnou částku |
6,504.986,32 Kč; |
|
docílila tudíž správa poštovní automobilní dopravy v r. 1928 proti roku 1927 výsledku příznivějšího o |
2,166.459,49 Kč. |
Tohoto příznivějšího výsledku bylo dosaženo přes to, že v r oce 1928 vzrostly náklady na pense, na udržování vozidel a inventáře, na daně a na ostatní potřeby, tím, že bylo dosaženo vyšších provozovacích příjmů, a že poklesla pasivita vlastních dílen na opravu vozů.
Výnos poštovních úřadů šekových poklesl hlavně proto, že v roce 1928 nedošlo k realisaci kursovních zisků v tom rozsahu, jak se stalo v roce 1927. Mimo to bylo v roce 1928 nutno ponechati značnou část vkladů na šekových účtech v pokladnách podniku, aby byla dostatečně zajištěna likvidnost šekových vkladů, kterou vyžadoval intensivní peněžní styk (obrat) poštovního šekového řízení; tato část vkladů nemohla se tudíž použíti za zdroj úrokového výnosu, naproti tomu však poštovní úřad šekový byl povinen hraditi úrok z vyšších pohledávek vkladatelů. Zvláště pak se tu jeví vliv snížení úrokové míry, který nastal v roce 1928.
Velmi příznivý celkový výsledek hospodaření podnikové poštovní správy, charakterisoaný zejména tím, že provozovací příjmy vzrostly více, než provozovací výdaje, nevykazuje toliko hospodaření roku 1928. Také podnikové hospodaření poštovní správy v minulých letech, ano i hospodaření poštovní správy předpodnikové vykazuje příznivé výsledky, což je nesporným důkazem systematické hospodárnosti. Podle státních závěrečných účtů vykazuje finanční hospodářství Čsl. pošty v prvých deseti letech naší samostatnosti tyto výsledky:
|
V roce |
Těžby (příjmy) |
Náklady (výdaje) |
Zisk (přebytek) + Ztráta (schodek) - |
|
Kč |
|||
|
1919 |
202,685.150,51 |
189,800.715,58 |
+ 13,884.434,93 |
|
1920 |
532,013.517,76 |
448,924.165,46 |
+ 83,089.352,30 |
|
1921 |
831,618.775,54 |
1.022,336.394,02 |
- 190,717.618,48 |
|
1922 |
992,706.325,18 |
975,631.422,29 |
+ 17,074.902,89 |
|
1923 |
908,242.154,49 |
497,226.033,99 |
+ 411,016.120,50 |
|
1924 |
964124.310,41 |
836117.499,19 |
+ 128,006.811,22 |
|
1925 |
1.066,387.713,67 |
920,573.002,27 |
+ 145,814.711,40 |
|
1926 |
1.218,240.503,50 |
1.042,569.068,15 |
+ 175,671.435,35 |
|
1927 |
1.305,810.336,40 |
1.173 500.172,18 |
+ 132,250.164,22 |
|
1928 *) |
1.501,780.032,54 |
1.321,546.921,32 |
+ 180,233.111,22 |
*) Ve vykázaných příjmech i výdajích, ani v zisku za rok 1928 není obsažen příspěvek státní správy na úhradu investičních výdajů podniku 96,111.075,48 Kč.
Z tohoto přehledu hrubých příjmů a výdajů, jakož i přebytků hospodaření jest patrno, že Československá pošta vykazovala ztrátu toliko v roce 1921, kdežto v ostatních devíti letech končilo její hospodaření přebytky v úhrnné výši 1.477,758.662,51 Kč.
Vykázané výsledky hospodaření až do konce roku 1926 necharakterisují však hospodaření poštovní správy, resp. jeho výsledek podle zásad soukromého podnikání, a to proto, že ve vykázaných výdajích jsou účiny, které nejsou složkou ryzího zisku ve smyslu dopického účetnictví, anebo naopak v nich nejsou obsaženy účiny, ačkoliv takovouto složkou jsou. Byly totiž až do konce roku 1926 účtovány na vrub všeobecné pokladní správy některé výdaje, které jsou vlastními provozovacími náklady Čsl. pošty, naproti tomu však jsou ve výdajích let 1919 a 1920 zahrnuty také investiční výdaje poštovního, telegrafního a telefonního provozu a poštovní automobilní dopravy a ve výdajích let 1919 až 1923 dotace reservního fondu poštovního úřadu šekového. Tyto náklady byly podrobně vyjmenovány v důvodové zprávě k finančnímu zákonu a státnímu rozpočtu na rok 1929. Se zřetelem k těmto rozdílným předpokladům pro vyšetření výsledků hospodaření v prvých deseti letech československé pošty z předložených závěrečných účtů jest nutno upraviti, resp. doplniti výsledky, vykazované v těchto závěrečných účtech poštovní správy, a to: zvýšiti vykázané výdaje o výdaje, zaúčtované na vrub všeobecné pokladní správy, které jsou výsledkem vlastní hospodářské činnosti československé pošty, a naopak snížiti vykázané výdaje o částky, které nejsou objektivně účiny ztrátovými, resp. provozovacími. Po této úpravě jeví se vývoj finančního hospodářství Československé pošty takto:
|
V roce |
Těžby (příjmy) |
Náklady (výdaje) |
Zisk (přebytek) + Ztráta (schodek) - |
|
Kč |
|||
|
1919 |
202,685.150,51 |
303,923.200,90 |
- 101,238.050.39 |
|
1920 |
532,013.517,76 |
640,010.502,34 |
- 107,996.984,58 |
|
1921 |
831,618.775,54 |
962,209.342,32 |
- 130,590.566,78 |
|
1922 |
992,706.325,18 |
958,728.033,10 |
+ 33,978.292,08 |
|
1923 |
908,242.154,49 |
880,190.738,15 |
+ 28,051.416,34 |
|
1924 |
964,124.310,41 |
836,117.499,19 |
+ 128,006.811,22 |
|
1925 |
1.066,387.713,67 |
947,430.540,72 |
+ 118,957.172,95 |
|
1926 |
1.218, 240.503,50 |
1.096,569.068,15 |
+ 121,671.435,35 |
|
1927 |
1.305,810.336.40 |
1.173,560.172,18 |
+ 132,250.164,22 |
|
1928 |
1.501,780.032,54 |
1.321,546.921,32 |
+ 180,233.111,22 |
Z této tabulky jest zřejmo celkové postupné zlepšování hospodářských výsledků poštovní správy.
Schodkem končilo hospodářství Čsl. pošty toliko v letech 1919 až 1921, kdežto od roku 1922 končí neustále ryzím ziskem.
Ostatní znaky tohoto vývoje výsledků finančního hospodářství poštovní správy jsou vyznačeny graficky na diagramu XXVII. Dočasný pokles zisku v roce 1925 a 1926 proti přebytku roku 1924 lze vysvětliti tím, že teprve za podnikové správy, tj. po uplynutí roku 1924 byla Čsl. pošta povinna ve smyslu zákona č. 404/22, resp. podle zásad soukromého podnikání, převzíti na svůj účet účiny, z nichž nová břemena byla vždy vyšší, než nové těžby, a to:
|
V roce |
Nová břemena |
Nové těžby |
Rozdíl |
|
1925 |
127,471.755,18 Kč |
34,709.180,42 Kč |
92,762.574,76 Kč |
|
1926 |
278,208.878,76 Kč |
140,507.914,81 Kč |
137,700.963,95 Kč |
|
1927 |
298,939.077,24 Kč |
144,048.820,52 Kč |
154,890.256,72 Kč |
|
1928 |
325,894.275,98 Kč |
143,722.720,24 Kč |
182,171.555,74 Kč |
Nová břemena jsou novými těžbami vyrovnávána toliko částečně, a to:
|
V roce |
1925 |
do |
výše |
27,2%, |
|
1926 |
" |
" |
50,5%, |
|
|
1927 |
" |
" |
48,3%, |
|
|
1928 |
" |
" |
44,1%. |
Novými břemeny byl výsledek hospodaření roku 1928 zatížen jednotlivě takto:
|
a) |
nákladem na pensijní a zaopatřovací požitky poštovních zaměstnanců a jich pozůstalých |
156,522.56495 Kč, |
|
b) |
náhradou výdajů ministerstva pošt a telegrafů |
11,367.847,19 Kč, |
|
c) |
náhradou za přepravu pošty na čsl. státních drahách |
60,000.000,--Kč, |
|
(jakožto výsledným rozdílem vzájemných pohledávek poštovního a železničního podniku) |
||
|
d) |
náhradou poštovních úřadů šekových za službu poštovních úřadů v šekovém řízení |
50,000.000,-- Kč, |
|
e) |
nákladem na správu a udržování státních poštovních budov |
1,425.106,10 Kč, |
|
f) |
odpisy vyjadřujícími fysickou deteriorisaci věcného produktivního majetku Čsl. pošty |
46,578.757,74 Kč. |
|
K částečné úhradě úhrnu nových výdajů |
325,894.275,98 Kč, |
|
|
slouží podniku nové těžby, a to: |
||
|
a) |
příjem z pensijních příspěvků a premiových reserv |
23,822.579,31 Kč, |
|
b) |
náhrada vyššího nákladu na staropensisty podle zákona č. 287/24 Sb. z. a n. |
6,600.000,-- Kč, |
|
c) |
náhrada poštovních úřadů šekových poštovní správě za služby dosud bezplatně prokazované poštovními úřady |
50,000.000,-- Kč, |
|
d) |
příjem z úpravy poměru Čsl. pošty k státní správě (vyjímajíc obor státní správy železniční) (za bezplatnou korespondenci) |
60,000.000,-- Kč, |
|
e) |
příjem z nájemného ve státních poštovních budovách |
1,122.853,95 Kč, |
|
f) |
úroky z běžných účtů |
2,177.220,24 Kč. |
|
Rozdíl mezi úhrnem nových těžeb |
143,722.653,50 Kč, |
|
a nových výdajů |
325,894.275,98 Kč, |
|
tj. částka |
182,171.555,74 Kč, |
|
by zvýšila zisk podniku za rok 1928 |
180,233.111,22 Kč |
|
na úhrnný přebytek |
362,404.666,96 Kč, |
kdyby se tento přebytek vyšetřoval za těchže předpokladů, za kterých byl vyšetřován do konce roku 1924. V tom případě by hospodářství Čsl. pošty v prvých deseti letech vykazovalo tyto výsledky:
|
V roce 1919 schodek |
101,238.050,39 Kč, |
|
v roce 1920 schodek |
107,996.984,58 Kč, |
|
v roce 1921 schodek |
130,590.566,78 Kč, |
|
v roce 1922 přebytek |
33,978.292,08 Kč, |
|
v roce 1923 přebytek |
28,051.416,34 Kč, |
|
v roce 1924 přebytek |
128,006.811,22 Kč, |
|
v roce 1925 přebytek |
211,719.747,71 Kč, |
|
v roce 1926 přebytek |
259,372.399,30 Kč, |
|
v roce 1927 přebytek |
287,140.420,94 Kč, |
|
v roce 1928 přebytek |
362,404.666,96 Kč. |
Z rozpětí mezi výsledky hospodaření jednotlivých let období 1920 až 1928 a prvního roku Čsl. poštovní správy jest zřejmo, že hospodaření Čsl. pošty prokazuje úspěchy i s hlediska úzce fiskálního. Tyto rozdíly výsledků jednotlivých let a prvního roku totiž značí částky, o které se postupně zlepšovaly výsledky celostátního hospodářství, tím, že správa Čsl. pošty účelně a cílevědomě hospodařila. Za uplynulých deset let československé samostatnosti zlepšil se dosažený hospodářský výsledek Československé pošty úhrnem o 463,642.717,35 Kč, kteroužto částkou přispěla Čsl. pošta k odstranění původní pasivity celkového státního hospodářství.
V účinech, z nichž vyvěrá právě konstatovaná skutečnost, není ovšem dbáno investičních výdajů Čsl. pošty a dotací reservního fondu poštovního úřadu šekového, protože nejsou položkami ztrátovými nýbrž majetkovými. Mimo to nutno k této úvaze poznamenati, že po stránce číselné správnosti by bylo lépe upravovati výsledky let 1919 až 1924 přesunutím pensí a podobných účinů dotyčných let do etátního účtování poštovní správy. Jelikož však není snadné zjistiti na příklad pensijní výdaje, které by podle analogie let 1925 až 1928 zatížily hospodářský výsledek let 1919 až 1924, nutno se spokojiti s tímto toliko přibližně správným výsledkem.
Zmíněnými investičními výdaji a dotacemi reservního fondu - byly-li by účtovány jako účiny ztrátové - změnila by se vyznačená čísla rozdílů mezi hospodářskými výsledky jednotlivých let 1920 až 1928 a hospodářským výsledkem roku 1919 asi takto:
|
Schodek roku 1919 per |
101,238.05039 Kč |
|
zvýšil by se o investiční výdaje r. 1919 per |
26,343.23003 Kč |
|
a o dotaci reservního fondu poštovního úřadu šekového, provedenou v roce 1919 per |
9,885.16046 Kč |
|
takže by bylo hospodářství pošty v roce 1919 zatížilo etátní účet státu částkou |
137,466.44088 Kč |
|
Obdobně přebytek Čsl. pošty v roce 1928 v částce |
362,404.66696 Kč |
|
snížil by se o investiční výdaje poštovního, telegrafního a telefonního provozu r. 1928 |
249,597.15685 Kč |
|
a o investiční výdaje poštovní aut. dopravy |
15,109.33142 Kč |
|
o dotaci reservního fondu poštovního úřadu šekového |
10,154.00078 Kč |
|
a o amortisaci investičních a hypotekárních dluhů |
1,483.69773 Kč |
|
na |
86,060.99018 Kč |
|
Úhrnný rozdíl mezi výsledky etátních účinů Čsl. pošty v roce 1919 a 1928 |
223,527.43106 Kč |
značí výslednou částku, o kterou systematická hospodárnost poštovní správy ulehčila etátnímu účtu státnímu v roce 1928 proti roku 1919, a to i při úhradě investičních potřeb z vlastních prostředků státu. Na tabulce XXVIII. jest pak graficky znázorněn vliv hospodaření Čsl. poštovní správy na etátní účet státu v letech 1919 až 1928.
Mimo již jmenované dvě tabulky zobrazují také tabulky č. XXIX. - XXXIII. ostatní znaky, které charakterisují vývoj finančního hospodářství Čsl. pošty, jakož i jeho předpoklady a výsledky.
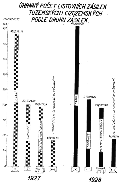
Na tabulce XXVII. jest zřejmý vzestup těžeb, který byl přerušen toliko v roce 1923 a 1924 jednak v důsledku snížení některých poplatků poštovních, telegrafních a telefonních, jednak proto, že všeobecně poklesla intensita poštovního provozu důsledkem hospodářské krise, související s deflací. Deflace způsobila také první pokles nákladů Čsl. pošty (v roce 1922), které i v dalších letech klesají v důsledku trvalého uplatňování hospodárnosti poštovní správy, a klesaly by neustále, kdyby podnik nebyl převzal na svůj účet pense a jiné nové náklady. Vzestup provozovacích nákladů v roce 1927 a 1928 souvisí se vzrůstem intensity poštovní dopravy, je však daleko předstižen vzrůstem provozovacích příjmů, nastalým z téhož důvodu. Ze specifikace provozovacích příjmů Čsl. pošty na jednotlivá provozovací odvětví, vyznačené na tabulce XXIX. jest patrno, že příjmy poštovního, telegrafního a telefonního provozu jsou tak značné, ze čára znázorňující vzestup těchto provozovacích příjmů udává svým tvarem také tvar čáře, vyznačující úhrn všech provozovacích příjmů podniku. Obdobně jest tomu u provozovacích příjmů poštovního, telegrafního a telefonního provozu graficky specifikovaných na tabulce XXX., z nichž připadá největší část na příjmy pošty, takže i tu jest čára, vyznačující vzrůst provozovacích příjmů poštovního, telegrafního a telefonního provazu, téměř souběžná s čárou, vyznačující změnu provozovacích příjmů pošty.
Na tabulce XXXI. jest znázorněn vývoj provozního koeficientu Čsl. pošty, tj. percentuelního poměru provozovacích výdajů k provozovacím příjmům; jeho pokles s počáteční nejvyšší hodnoty charakterisuje postupující trvalou konsolidaci finančního hospodářství Čsl. pošty. Na téže tabulce jest vyznačeno také procento, které připadá z provozovacích příjmů podniku na jeho ryzí zisk. Tento poměr ryzího zisku k úhrnné těžbě se nápadně lepší za rok 1928. Investiční výdaje Čsl. pošty a způsob jejich úhrady jsou vyznačeny na tabulce XXXII., ze které jest zjevno, že až do konce roku 1927 byla největší část investičních výdajů uhrazena výpůjčkou, avšak již v roce 1928 připadá větší část úhrady investičních výdajů na vlastní prostředky státu (zisk podniku). Z téže tabulky jest také zjevno, že investiční výdaje Čsl. pošty v roce 1928 dosáhly nejvyšší částky. Nedojde-li v roce 1929 k úhradě investičních výdajů podniku (viz tab. XXXIII.) novým investičním dluhem, nastane postupným amortisováním od roku 1927 pokles jeho investičních dluhů a v souvislosti s tím také pokles úroků z investičních půjček.
Hospodaření poštovní správy prokazuje příznivé výsledky také s hlediska finančně správní kontroly, tj. na základě porovnání výsledků hospodaření poštovní správy s příslušnými preliminovanými částkami. Při srovnání výsledků hospodaření dosažených v roce 1928 s preliminovanými nutno ovšem přihlížeti k tomu, že tento rozpočet nepreliminoval potřebu na odpisy peněžní hodnoty věcného produktivního majetku u poštovního, telegrafního a telefonního provozu, kteréžto odpisy byly však vzaty na vrub hospodářského výsledku do závěrečných účtů podnikového hospodaření.
|
Zisk z vlastního hospodaření |
180,233.111,22 Kč |
|
jest proti preliminovanému |
171,339.230,-- Kč |
|
příznivější o |
8,893.881,22 Kč |
Přihlíží-li se však k právě učiněné připomínce, že preliminovaný výsledek hospodaření roku 1928 neobsahoval
|
odpisy poštovního, telegrafního a telefonního provozu |
40,970.037,13 Kč, |
|
jeví se dosažený zisk o |
49,863.918,35 Kč, |
|
příznivější proti zisku preliminovanému. Tento příznivější výsledek |
|
|
byl dosažen většími provozovacími příjmy o |
72,602.212,54 Kč, |
|
které se však snižují o vyšší náklady v úhrnné částce |
22,738.294,19 Kč. |
|
Také na investičních výdajích podniku bylo v r. 1928 vydáno toliko |
274,819.043,05 Kč. |
|
ačkoliv byly preliminovány částkou |
296,744.230,-- Kč, |
|
takže se tu jeví výdej menší o |
21,925.186,95 Kč, |
nehledě k tomu, že v přírůstku hodnoty zakládacích aktiv podniku jsou zahrnuty také opravy bilancovaných hodnot opotřebovaných a v r. 1928 obnovených součástí věčného produktivního majetku u poštovního, telegrafního a telefonního provozu a u poštovní automobilové dopravy, jakož i rektifikace bilancované hodnoty věcného produktivního majetku poštovních úřadů šekových provedená tím, že odpisy z této hodnoty v r. 1925 až 1927 byly dodatečně připsány prospěchem účtu odpisů a na vrub peněžní hodnoty věcného produktivního majetku, čímž byla počáteční peněžní hodnota tohoto majetku vrácena na původní hodnotu pořizovací (resp. přejímací).
Podle rozpočtu měly se investiční výdaje podniku v r. 1928 hraditi novým investičním dluhem; avšak se zřetelem k finanční situaci Čsl. pošty byly investice poštovního, telegrafního a telefonního provozu a poštovní automobilové dopravy uhrazeny ziskem podniku a příspěvkem státní správy finanční, kdežto investiční výdaje poštovních úřadů šekových byly uhrazeny z jejich vlastních prostředků.
Z výsledného ryzího zisku podniku bylo použito k právě zmíněné úhradě investičních výdajů
|
poštovního, telegrafního a telefonního provozu a poštovní automobilové dopravy |
168,595.412,79 Kč |
|
a k úhradě amortisačních kvot investičních a hypotekárních dluhů |
1,483.697,73 Kč |
|
zbývající částky, tj. zisku poštovního úřadu šekového |
10,154.000,70 Kč |
|
bylo použito k dotaci reservního fondu poštovního úřadu šekového. |
|
|
Úhrnný zisk |
180,233.111,22 Kč |
|
spolu s příspěvkem státní správy na investice |
96,111.075,48 Kč |
|
tj. úhrnem |
276,344.186,70 Kč |
|
značí přírůstek vlastního jmění podniku. |
Shora vyznačená úchylka, o kterou dosažený zisk r. 1928 předstihuje zisk preliminovaný, jest zcela mimořádného rázu a vysvětlitelná jedině tím, že v r. 1928 všeobecná hospodářská situace v našem státu byla tak mimořádně příznivá, že nelze napříště počítati s obdobným vzrůstem provozovacích příjmů, jaký byl zaznamenán v tomto roku.
Konstruujíc rozpočet na rok 1930 se zřetelem ke zkušenostem, zřejmým se závěrečných účtů minulých let, přesvědčuje se poštovní správa i o tom, jak dalece se rozpočet pro r. 1929 shoduje s prozatímními výsledky hospodaření r. 1929, načež vyznačuje projektované úchylky výsledků r. 1930 od výsledků projektovaných na rok 1929.
Podle účtu poštovního, telegrafního a telefonního provozu za první pololetí roku 1929 vykazuje hospodářství běžného roku na provozovacích výdajích tyto úspory:
|
U vlastních výdajů provozovacích |
41,425.688,51 Kč, |
|
na výdajích správních |
280.297,61 Kč, |
|
a na výdajích všeobecných |
33,344.573,-- Kč; |
|
naproti tomuto úhrnu úspor |
75,050.559,12 Kč, |
|
překročuje výdaj preliminované výdaje na pense o |
6,701.199,78 Kč. |
|
Proti ryzí úspoře výdajů |
68,349.359,34 Kč, |
|
nedosahuje preliminovaných příjmů o |
32,393.792,78 Kč; |
|
jeví se tudíž dosažený výsledek o |
35,955.566,56 Kč |
|
příznivějším proti výsledku preliminovanému. |
Nutno však uvážiti, že ve vykázaných výsledcích není ještě počítáno se zvýšením kvoty společnosti Radiojournalu na rozhlasových poplatcích (4 mil.), a že není provedeno jednak přeúčtování vybraných stavebních příspěvků (8 mil. Kč), jakož i vyúčtování stavebních záloh, stavebního a provozního materiálu vzatého ze zásob na vrub udržovacích výdajů (6 mil. Kč), takže nutno již se zřetelem k těmto téměř konkrétním účinům snížiti vykázaný přebytek (35 mil. Kč) na pouhých 17 mil. Kč. Mimo to dlužno uvážiti, že v prvých měsících roku 1929 bylo mnoho účinů realisováno ještě na vrub r. 1928, a že naopak na vrub druhého pololetí r. 1929 účtovány budou příslušné předchozí hodnoty, které budou poukázány v prvých měsících roku 1930. Naproti tomu ovšem lze očekávati, že ve druhém pololetí zejména v posledních 3 měsících dosáhne poštovní, telegrafní a telefonní provoz svých očekávaných příjmů, čímž bude ovšem jenom částečně kompensována reserva, která by měla býti připočtena na vrub provozovacích výdajů I. pololetí r. 1929 k úhradě příslušných předchozích pasiv tohoto roku. Se zřetelem k těmto okolnostem nelze předpokládati, že by i hospodaření roku 1929 mohlo skončiti ve srovnání s rozpočtem tak příznivě jak skončilo hospodářství r. 1928 a to tím méně, že v předcházející úvaze nebylo počítáno s nezbytnou potřebou odpisů peněžní hodnoty věcného produktivního majetku poštovního, telegrafního a telefonního provozu, která sice nebyla preliminována, nicméně zatíží výsledek běžného hospodaření.
Tím také lze vysvětliti, proč jest zisk preliminovaný pro rok 1930 nižší, než zisk preliminovaný pro rok 1929, pokud se týče dosažený v r. 1928.

Tabulka II.

Tabulka III.

Tabulka IV.


